Change Language :

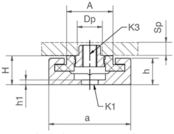
The drylin N low-profile guide system is ideal for applications with small installation spaces because it provides heights of 6 to 12mm. The small dimensions also result in efficient energy consumption and low emissions as well as mobile system solutions. The low-profile guide system impresses with the high quality of its manufacture and material. The product itself achieves all qualities with a minimum of components. This means that installation is completed quickly and maintenance as straightforward as possible.

Convince yourself of our drylin N low-profile guide system with our sample box.
Request sample box
10 potential savings that can help you cut unnecessary costs with drylin linear bearings.
Download white paperSpace-saving design with an installation height of 9 to 12mm.
Thanks to a lightweight, energy-efficient design of the low-profile guide system.
The defined displacement forces make adjustment and positioning easy.
The spring preload of the carriages and sliding elements ensures quiet running.
Due to overmoulded carriages (permanent connection between carriage and sliding element).
Thanks to the use of double carriages, it is not necessary to use several ones.

Pre-load prism slide

SLN low-profile guide system with lead screw
In person:
Monday to Friday from 7 am - 8 pm.
Saturdays from 8 am- 12 pm.
Online:
24h
WhatsApp-Service:
Montag – Freitag: 8 – 16 Uhr