Please choose your delivery location

The selection of the country/region page can influence various factors such as price, shipping options and product availability.
My contact person
e-chains®, chainflex®, cables, harnessed systems readychain®

+381 11 63 098 17
Photo
dry-tech® bearing technology

+381 11 63 098 17
Photo
RS(EN)

drylin® N - Low profile linear guide system NK-02-40

Version 02 with threaded hole:

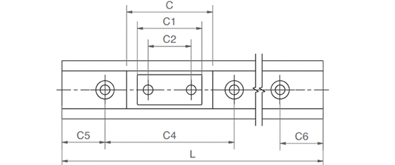
Order no. Max. rail lengths a C4 A3 C5=C6 h h1 K1* ly lz Weight of rail Price / m  
  [L max.]       Min. max.       [mm2] [mm2] [g/m]    
ready for shipping in 24-48 hours NS-01-40 3000 40 60 0 20 20/49,5 8.7 1.3 M4 26400 970 450 4,679.28 RSD Add to shopping cart
ready for shipping in 24-48 hours NS-01-40-UNGEBOHRT 3000 40 0 0 0 8.7 1.3 26400 970 450 4,188.55 RSD Add to shopping cart
ready for shipping in 24-48 hours NS-01-40-AR 3000 40 60 0 20 20/49,5 8.7 1.3 M4 26400 970 450 5,381.25 RSD Add to shopping cart
More about selected part:
3D-CAD 3D-CAD
Sample request Sample request
PDF PDF
Quote request Quote request
myCatalog myCatalog

For unbored rails please indicate "Unbored" in the remark.
* for cylinder screw with low head

Version 02 with threaded hole:

Order no. Designation Weight of carriage    
    [g]    
ready for shipping in 24-48 hours NW-02-40 Carriage clipped on, fixed bearing 30 961.54 RSD Add to shopping cart
ready for shipping in 24-48 hours NW-02-40-LLY Carriage clipped on, floating bearing y-direction 30 960.57 RSD Add to shopping cart
ready for shipping in 24-48 hours NW-02-40-LLZ Carriage clipped on, floating bearing z-direction 30 960.57 RSD Add to shopping cart
ready for shipping in 24-48 hours NW-02-40-LLYZ Carriage clipped on, floating bearing y and z-direction 30 960.57 RSD Add to shopping cart
More about selected part:
3D-CAD 3D-CAD
Sample request Sample request
PDF PDF
Quote request Quote request
myCatalog myCatalog

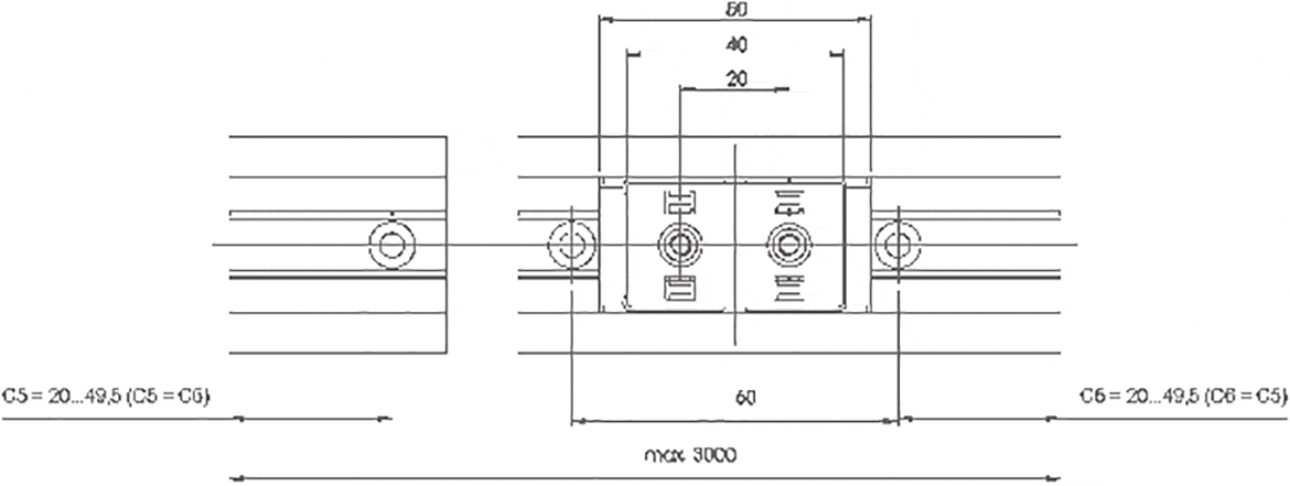
Version 02: Dimensions [mm] - guide carriages

Part. No. H A C C1 C2 A2 H2 K2 K3 K4 Spmin. DpØmin. Weight
  ±0,35                       [g/m]
ready for shipping in 24-48 hours NW-02-40 9.5 23 50 40 20 0 0 M4 5 6.5 30
ready for shipping in 24-48 hours NW-02-40-LLY 9.5 23 50 40 20 0 0 M4 5 6.5 30
ready for shipping in 24-48 hours NW-02-40-LLZ 9.5 23 50 40 20 0 0 M4 5 6.5 30
ready for shipping in 24-48 hours NW-02-40-LLYZ 9.5 23 50 40 20 0 0 M4 5 6.5 30
More about selected part:
3D-CAD 3D-CAD
Sample request Sample request
PDF PDF
Quote request Quote request
myCatalog myCatalog

Version 12 with threaded hole:

Order no. Designation Weight of carriage    
    [g]    
ready for shipping in 24-48 hours NW-12-40 Moulded carriage 30 961.54 RSD Add to shopping cart
ready for shipping in 10 working days NW-12-40-LLY Moulded carriage, floating bearing y-direction 30 960.57 RSD Add to shopping cart
ready for shipping in 24-48 hours NW-12-40-LLZ Moulded carriage, floating bearing z-direction 30 960.57 RSD Add to shopping cart
ready for shipping in 24-48 hours NW-12-40-LLYZ Moulded carriage, floating bearing y und z-direction 30 961.54 RSD Add to shopping cart
ready for shipping in 24-48 hours NW-12-27 Moulded carriage 12.5 584.31 RSD Add to shopping cart
ready for shipping in 10 working days NW-12-27-80 Carriage 25 1,118.85 RSD Add to shopping cart
More about selected part:
3D-CAD 3D-CAD
Sample request Sample request
PDF PDF
Quote request Quote request
myCatalog myCatalog

Version 12: Dimensions [mm] - guide carriages

Part. No. H A C C1 C2 A2 H2 K2 K3 K4 Spmin. DpØmin. Weight
  ±0,35                       [g/m]
ready for shipping in 24-48 hours NW-12-40 9.5 23 52 40 20 0 0 M4 5 6.5 30
ready for shipping in 10 working days NW-12-40-LLY 9.5 23 52 40 20 0 0 M4 5 6.5 30
ready for shipping in 24-48 hours NW-12-40-LLZ 9.5 23 52 40 20 0 0 M4 5 6.5 30
ready for shipping in 24-48 hours NW-12-40-LLYZ 9.5 23 52 40 20 0 0 M4 5 6.5 30
ready for shipping in 24-48 hours NW-12-27 9.5 14 34 30 20 0 0 M4 5 6.5 12.5
ready for shipping in 10 working days NW-12-27-80 0 14 80 76 60 0 1.5 M4 5 6.5 25
More about selected part:
3D-CAD 3D-CAD
Sample request Sample request
PDF PDF
Quote request Quote request
myCatalog myCatalog

Ordering of a complete system

Configuration in few steps:

1. Selection of the number of carriages
2. Selection of the type of carriagel
3. Entry of the rail length in mm
4. Selection of the carriage options
5.

Hint:

Detailed information can be found in the drawings and tables above, as well as in the below-mentioned pages. You can obtain precise specifications on the floating bearing options within the design rules.
1

no floating bearing

2

Floating bearing in z-direction

3

Floating bearing in y-direction

4

Floating bearing in yz-direction

drylin® NK – complete set

Step 1

Enter the required number of carriages.

technical drawing
No. of carriages:

Carriage length in version NW-12-40: 52 mm

A = M4 (max. press-fit 1,2 Nm)
B = Bores min.Ø 6,5
C = for machine screws M4, DIN 7984 / DIN 6912 / DIN 84, EN ISO 1707 / EN ISO 7045

Static load capacity and moments of inertia of an area

Optional:

End cap for rail,
Order no.  NSK-40

ready for shipping in 24-48 hours
ready for shipping in 10 working days

The terms "Apiro", "AutoChain", "CFRIP", "chainflex", "chainge", "chains for cranes", "ConProtect", "cradle-chain", "CTD", "drygear", "drylin", "dryspin", "dry-tech", "dryway", "easy chain", "e-chain", "e-chain systems", "e-ketten", "e-kettensysteme", "e-loop", "energy chain", "energy chain systems", "enjoyneering", "e-skin", "e-spool", "fixflex", "flizz", "i.Cee", "ibow", "igear", "iglidur", "igubal", "igumid", "igus", "igus improves what moves", "igus:bike", "igusGO", "igutex", "iguverse", "iguversum", "kineKIT", "kopla", "manus", "motion plastics", "motion polymers", "motionary", "plastics for longer life", "print2mold", "Rawbot", "RBTX", "RCYL", "readycable", "readychain", "ReBeL", "ReCyycle", "reguse", "robolink", "Rohbot", "savfe", "speedigus", "superwise", "take the dryway", "tribofilament", "tribotape", "triflex", "twisterchain", "when it moves, igus improves", "xirodur", "xiros" and "yes" are legally protected trademarks of the igus® SE & Co. KG/ Cologne in the Federal Republic of Germany and where applicable in some foreign countries. This is a non-exhaustive list of trademarks (e.g. pending trademark applications or registered trademarks) of igus SE & Co. KG or affiliated companies of igus in Germany, the European Union, the USA and/or other countries or jurisdictions.

igus® SE & Co. KG points out that it does not sell any products of the companies Allen Bradley, B&R, Baumüller, Beckhoff, Lahr, Control Techniques, Danaher Motion, ELAU, FAGOR, FANUC, Festo, Heidenhain, Jetter, Lenze, LinMot, LTi DRiVES, Mitsubishi, NUM,Parker, Bosch Rexroth, SEW, Siemens, Stöber and all other drive manufacturers mention on this website. The products offered by igus® are those of igus® SE & Co. KG