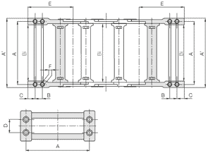
1. Trough side part, aluminium, 2m
2. Glide bar, plastic, 2m
3. Plastic glide strips*, side, 2m
4. Clamping shoe, aluminium
5. C-profile, galvanised steel
6. Screw M8 x 20
7. Sliding nut M8
8. "Basic" connector, plastic
10. Optional: noise dampening strip
*without glide strips upon request
"Super-aluminium" trough - the igus® standard for guide troughs
The "Super-aluminium" trough is a modular system of guide troughs for long travels (where e-chains® glide on each other). The basic "Super-aluminium" trough is available in simple, cost-effective "basic designs" and can be expanded for sophisticated plant construction. This universal usability makes it the recommended igus® standard for guide troughs.
- Various mounting options with bracket, clamping shoe, interface connectors
- Side-mounted glide strips for wear protection on high-speed applications
- Corrosion-resistant due to seawater-resistant aluminium
- Flexible assembly - fastening on substructure independent of profile lengths and butt joints
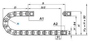
A guide trough is not available for the selected chain.